Top.Mail.Ru
Перейти к содержанию
Новости в мире симрейсинга
Новости

Рекомендуемые сообщения

2 минуты назад, Sieben сказал:

@Edward Просто с min force не работало что ли?)

Ххаха, нужно тестить, я покрутил параметры как советовал Beg, это дало эффект и я довольный пошел на работу 

Ссылка на комментарий

@Beg

Премного благодарен. 

BTS на чипах GAC913 вроде нормально работают, но по твоему совету всё-равно сделал возврат средств на Aliexpress, сразу закрыли спор в мою пользу.

Сегодня вечером буду тестировать руль, уже потом точно смогу сказать насчет этих BTS.

Ссылка на комментарий

Вообщем всё работает с одним жирным НО. При включении некоторых тестов тухнет блок питания, помогает выдернуть его из розетки и обратно включить.

В чем может быть проблема? он просто не вывозит получается? Мотор на 300вт, блок питания китайцами был заявлен на 350... еще за него и переплатил чтобы в корпусе был.

 

 

Ссылка на комментарий
3 часа назад, dvkokh сказал:

блок питания китайцами был заявлен на 350...

Это ключевое заявление, так скажем. Но тут есть еще проблема, блок то может выдать 350Вт, а вот мотор в пике может сожрать больше.

Мой совет, купить какой нибудь бп атх формата ватт на 700, а лучше серверный.

Изменено пользователем Buxou
Ссылка на комментарий

@Buxou У меня валяется где то на 600 ватт от старого компа, но он 12в, хотелось бы 24, говорят фидбек повеселее работает. Куплю ватт на 500, надеюсь этого хватит. На серверные что-то ценники огромные, не хочется столько денег тратить на блок питания.

Ссылка на комментарий

@dvkokh  конденсаторы есть в схеме?

Если не помогают, то можно поискать б/у БП от майнеров (от асиков всяких)  на барахолках попадаются 12в на 130-160A за 1500-2000р

Ссылка на комментарий

@dvkokh  сходи в магазин светотехники или на подобие и купи норм БП , 24V от 15А  цены не так велики, может и на авито найдёшь. картинка для внимания 

БП.jpg

  • Нравится 1
Ссылка на комментарий

@Beg конденсаторы не ставил и, наверное, не буду, хочется как можно компактнее сделать. Но если новый блок питания будет так же себя вести, то, видимо, придется.

@Basma4 

как раз сейчас поеду за подобным на 20А

Ссылка на комментарий

Господа, тоже возник вопрос вопрос по блокам питания. Я правильно понимаю, что если мотор заявлен 24в 20А 480 вт 3000 оборотов и я его запитаю на 12в 40А , то обороты упадут в 2 раза и соответственно увеличиться момент? Или мотор умрет?

Ссылка на комментарий

@ArchiRA От пониженного напряжения мотор не умрет уж точно. Ток, что пишут на БП, это максимальный, который он может выдать. Нагрузка забирает столько, сколько ей надо. Обороты упадут. да. А вот увеличится момент или нет, это вопрос. Скорее всего нет.

Ссылка на комментарий
1 час назад, dvkokh сказал:

Коллеги, кто-нибудь подключал педали на датчиках холла к STM32? Как они себя ведут? Будет ли это вообще работать?

подключал к ардуино, работало нормально, думаю с stm32 будет также.

Ссылка на комментарий
2 часа назад, dvkokh сказал:

Коллеги, кто-нибудь подключал педали на датчиках холла к STM32? Как они себя ведут? Будет ли это вообще работать?

У меня с ардуино работают отлично, на СМТ32 дергаются как параличные

Ссылка на комментарий
16 часов назад, ksg79 сказал:

У меня с ардуино работают отлично, на СМТ32 дергаются как параличные

Вот подстава, я думал может хотя бы с датчиками холла stm нормально будет работать. Потенциометры не хочется ставить, хотя я так понимаю с ними тоже всё плохо. 
Вроде ферритовые кольца частично помогают решить эту проблему. Есть ещё способы побороть дерганье? Например повесить педали на контроллер, а контроллер уже цеплять к STM?

Нашел гайд по фильтрации шумов с аналоговых датчиков. Работает на ардуино. Надо будет попробовать.
https://alexgyver.ru/gyverfilters/

 

Ссылка на комментарий
12 минут назад, dvkokh сказал:

Вот подстава, я думал может хотя бы с датчиками холла stm нормально будет работать. Потенциометры не хочется ставить, хотя я так понимаю с ними тоже всё плохо. 
Вроде ферритовые кольца частично помогают решить эту проблему. Есть ещё способы побороть дерганье? Например повесить педали на контроллер, а контроллер уже цеплять к STM?

Нашел гайд по фильтрации шумов с аналоговых датчиков. Работает на ардуино. Надо будет попробовать.
https://alexgyver.ru/gyverfilters/

 

По фильтрам "в железе" уже была информация, несколько раз причём. С картинками, видео...

 

Ссылка на комментарий
10 часов назад, Lexins сказал:

Прошивка MMOS довольно древняя, вопрос к знатокам - в играх современных ffb нормально работает? В частности интересует ACC и Raceroom.

В АСС моя база(MY-6812) лучше себя показывает чем DFGT и G27 , а на другие сравнений нет возможности у меня. Конечно хочется тем же самым Т300RS сравнить, но в моей деревне нет ни у кого из моих знакомых...
От себя напомню - что двигатель MY-6812 и тому подобные НЕ ГОДЯТСЯ на постройку базы, в них есть ступенчатость при кручении двигателя(руля) !!! Купил двигатель очень древний болгарского производства (86г), так он плавный как и должен быть! Ещё раз ребята - НЕ СОВЕТУЮ брать MY-6812 и тому подобных...!

3 часа назад, Sieben сказал:

По фильтрам "в железе" уже была информация, несколько раз причём. С картинками, видео...

 

Я уже поборол шумы, сейчас по нулям !!! Я вроде на этой ветке выкладывал схему, и на другой ветке "FreeJoy" я подробнее описал как лечить. Это касается STM32

Обязательно чистим потенциометры! я протёр с WD40 , далее по схеме как на картинке

schematic G25.jpg

  • Нравится 1
  • Спасибо 1
Ссылка на комментарий

Так, возвращаясь к работе BTS-ки без 5 вольт от платы. Я понял в чём соль. Контакты R_EN и L_EN у меня замкнуты на VCC непосредственно перемычкой на самой BTS, как на картинке. Так вот, в таком состоянии, если отключить 5 вольт от платы, то всё прекрасно работает и руль крутится свободно, когда нет эффектов. Если подключить 5 вольт от платы, то руль становится тугой в простое. Но, если эту перемычку убрать, то BTS-ка просто перестает работать. Я так понимаю, напряжение на контакте VCC появляется вместе с появлением сигнала на RPWM и LPWM.

a7b12922df1c400b023e9614e1fde0fc.jpg

Ссылка на комментарий

@Basma4 

Я правильно понимаю, что на потенциометр/датчик холла нужно кидать 5в, а выходной сигнал уже к контактам PB0/ PB1 на плате?

Купил на разборе электронную педаль газа от BMW  со встроенным датчиком холла, хочу попробовать подключить, но она на выходе выдает от 0,5 до 4,5 вольт, надо будет смотреть как она себя поведет.

@FSUP 

А как лучше? По сути если топить в сторону реалистичности, то руль и должен быть немного туговат в простое, если сравнивать с авто с ГУРом, на авто с электро усилителем полегче конечно руль. 

Ссылка на комментарий
2 минуты назад, dvkokh сказал:

@Basma4 

Я правильно понимаю, что на потенциометр/датчик холла нужно кидать 5в, а выходной сигнал уже к контактам PB0/ PB1 на плате?

 

Обязательно, а как они без напряжения будут работать...

Ссылка на комментарий

@dvkokh Как удобнее. Когда фидбэк есть, разницы в ощущениях нет. Но когда пяти вольт нет, чувствуется разница между эффектами, которые есть в MMOS. До этого я не чувствовал разницы, когда в desktop effect ставил разные эффекты типа damper, inertia, friction. Но надо услышать еще мнения, как правильно.

Изменено пользователем FSUP
Ссылка на комментарий

@FSUP 

Надо тоже поэксперементировать, понять как лучше.

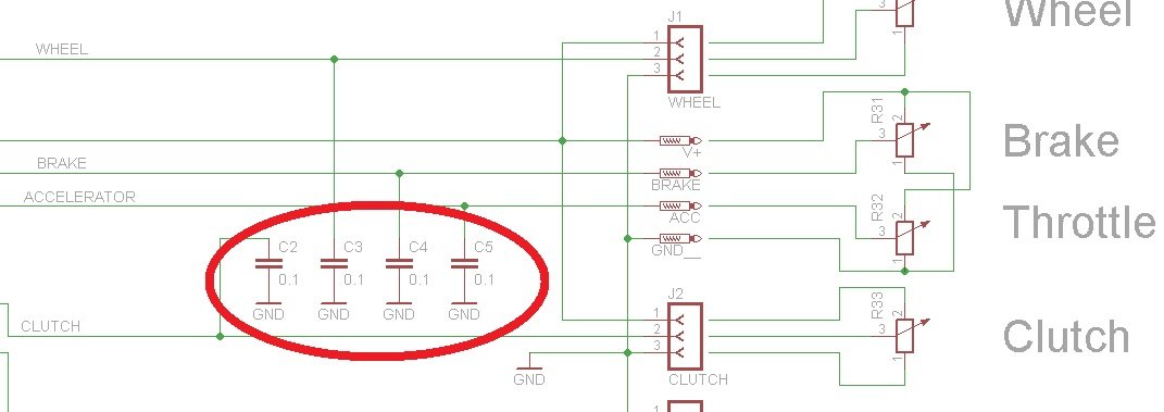
@Basma4 

Извиняюсь за глупые вопросы, но пока плохо разбираюсь в схемах... Я правильно понял, что конденсатор с выходного сигнала ставится вот так?

1180657972_.thumb.jpg.a63790f76f12c37560072089b7ed369d.jpg

Т.е. провод с выходным сигналом как шел так и идёт, просто к нему сбоку припаивается конденсатор?

Ссылка на комментарий
×
×
  • Создать...